Cylindrical two-stage horizontal gearboxes for general machine-building applications of standard sizes TS2U-100, TS2U- 125, TS2U- 200, TS2U-250 are designed to change torques and rotational speeds.
Conditions of application of cylindrical gearboxes TS2U-100, TS2U- 125, TS2U- 200, TS2U-250:

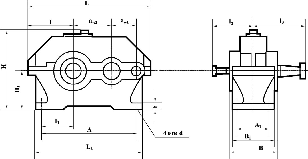
|
Type |
аw2 |
aw1 |
L |
L1 |
1 |
11 |
l2 |
l3 |
Н |
H1 |
A |
A1 |
d |
B |
B1 |
h |
|
|
no more |
Cast iron body |
Aluminum body |
|||||||||||||||
|
1C2U-100 |
100 |
80 |
390 |
325 |
136 |
85 |
136 |
165 |
230 |
112 |
290 |
109 |
15 |
155 |
145 |
- |
20±3 |
|
1C2U-125 |
125 |
80 |
446 |
375 |
160 |
106 |
145 |
206 |
272 |
132 |
335 |
125 |
19 |
175 |
165 |
- |
22±3 |
|
1C2U-160 |
160 |
100 |
557 |
475 |
200 |
135 |
170 |
224 |
345 |
170 |
425 |
140 |
24 |
206 |
195 |
24±4 |
28±4 |
|
1C2U-200 |
200 |
125 |
678 |
580 |
243 |
165 |
212 |
280 |
425 |
212 |
515 |
165 |
24 |
243 |
230 |
30±4 |
- |
|
1C2U-250 |
250 |
160 |
829 |
730 |
290 |
212 |
265 |
335 |
530 |
265 |
670 |
218 |
28 |
290 |
280 |
32±4 |
- |
The name of the indicator
|
Gearbox size
| |||||||
C2U-100
|
C2U-125
|
C2U-160
|
C2U-200
|
C2U-250
| ||||
Gear ratios
|
Group 1
|
10; 20; 31,5; 40
| ||||||
Group 2
|
8;12,5; 16; 25
| |||||||
Actual gear ratios
|
Group 1
|
10,32;20,64; 32,55; 40,32
|
10; 20; 31,5;38,37
|
10,32; 20,64; 32,55; 40,32
|
9,76; 20,02; 31,47; 38,98
|
9,94; 20,67; 31,47; 38,4
| ||
Group 2
|
8; 12,8; 16; 25,6
|
7,75; 12,18; 15,48; 24,36
|
8; 12,6; 16,0; 25,2
|
8,09; 12,08; 16,6; 24,83
|
8,33; 12,12; 16; 24,54
| |||
Rated output shaft torque during continuous operation with constant load H*m
|
continuous(C) PV=100%
|
315
|
630
|
1250
|
2500
|
5000
| ||
The permissible torque on the output shaft when the gearbox is operating in repeated short-term modes. H*m
|
heavy (H) PV=40%
|
315
|
630
|
1600
|
3150
|
6300
| ||
average (A) PV=25%
|
2000
|
4000
|
8000
| |||||
easy (E) PV=15%
|
2500
|
5000
|
10000
| |||||
Permissible radial cantilever load. attached in the middle of the landing part, Н
|
input shaft
|
continuous (C) PV=100%
|
500
|
750
|
1000
|
2240
|
3150
| |
heavy (H) PV=40%
|
1150
|
2500
|
3550
| |||||
average (A) PV=25%
|
1280
|
2800
|
4000
| |||||
easy (E) PV=15%
|
1450
|
3150
|
4500
| |||||
output sharf
|
continuous (C) PV=100%
|
4500
|
6300
|
9000
|
12500
|
18000
| ||
heavy (H) PV=40%
|
10000
|
14000
|
20000
| |||||
average (A) PV=25%
|
11200
|
16000
|
22400
| |||||
easy (E) PV=15%
|
12500
|
18000
|
25000
| |||||
Thermal power, kW
|
does not limit
| |||||||
Efficiency factor, not less than, %
|
9
| |||||||
The mass of the gearbox, no more, kg
|
with cast iron body
|
—
|
|
95
|
170
|
310
| ||
with aluminum body
|
21
|
31,5
|
57
|
|
| |||