Cylindrical single-stage narrow horizontal gearboxes for general machine-building applications of types 1TSU-100, 1TSU-160, 1TSU-00, 1TSU-250 are designed to increase torque and reduce rotational speed.
Conditions of application of cylindrical gearboxes TSU-100, TSU- 160, TSU- 200, TSU-250:
|
Type |
Center-to-center distance |
Nominal gear ratio |
Rated torque, Nm |
Nominal radial load on the shaft, N |
Weight not more than, kg |
EFFICIENCY |
|
|
ent |
ex |
||||||
|
1CU-100 |
100 |
2; 2,5; 3,15; 4; 5; 6,3 |
315 |
630 |
2240 |
27 |
0,98 |
|
1CU-160 |
160 |
1250 |
1250 |
4500 |
77,5 |
||
|
1CU-200 |
200 |
2500 |
2800 |
6300 |
135 |
||
|
1CU-250 |
250 |
5000 (4500* ) |
4000 |
9000 |
210 |
||

|
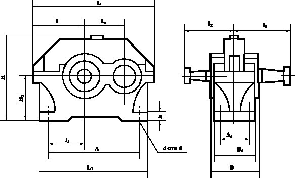
Type |
aw |
L |
L1 |
B |
H |
h |
l |
l1 |
l2 |
l3 |
H1 |
A |
A1 |
B1 |
d |
|
no more |
|||||||||||||||
|
1CU-100 |
100 |
315 |
265 |
140 |
224 |
22 |
132 |
85 |
136 |
155 |
112 |
224 |
95 |
132 |
15 |
|
1CU-160 |
160 |
475 |
412 |
185 |
335 |
28 |
195 |
136 |
218 |
218 |
170 |
355 |
125 |
175 |
24 |
|
1CU-200 |
200 |
580 |
500 |
212 |
425 |
36 |
236 |
165 |
230 |
265 |
212 |
437 |
136 |
200 |
24 |
|
1CU-250 |
250 |
710 |
615 |
265 |
530 |
40 |
290 |
212 |
280 |
315 |
265 |
545 |
185 |
250 |
28 |

|
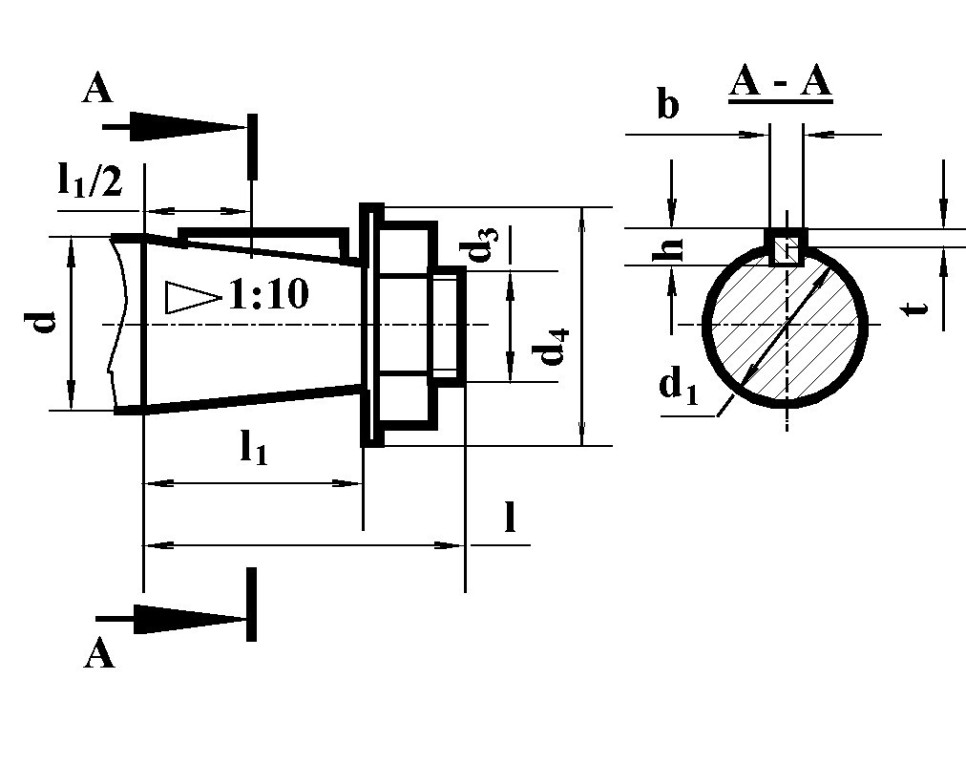
Type |
Shaft |
d |
d1 |
d3 |
d4 not more |
l |
l1 |
b |
h |
t |
|
1CU-100 |
ent |
25 |
22,90 |
M16x1,5 |
45 |
60 |
42 |
5 |
6 |
3,0 |
|
1CU-160 |
45 |
40,90 |
M30x2 |
75 |
110 |
82 |
12 |
9 |
5,0 |
|
|
1CU-200 |
55 |
50,90 |
M36x3 |
88 |
140 |
82 |
14 |
11 |
5,5 |
|
|
1CU-250 |
70 |
64,75 |
M48x3 |
100 |
140 |
105 |
18 |
14 |
7,0 |
|
|
1CU-100 |
ex |
35 |
32,10 |
M20x1,5 |
50 |
80 |
58 |
6 |
5 |
3,5 |
|
1CU-160 |
55 |
50,90 |
M36x3 |
88 |
110 |
82 |
14 |
8 |
5,5 |
|
|
1CU-200 |
70 |
64,75 |
M48x3 |
100 |
140 |
105 |
18 |
9 |
7,0 |
|
|
1CU-250 |
90 |
83,50 |
M64x4 |
130 |
170 |
130 |
22 |
11 |
9,0 |